Von Andre Adrian, DL1ADR
Version 2026-01-05
Niederfrequenzverstärker gibt es in vielen Bauweisen. Eine sehr
frühe Bauweise ist mit Triode. Die Triode ist eine Elektronenröhre
mit drei Elementen, der Kathode, dem Gitter und der Anode. Nach
der Diode war die Triode die zweite Elektronenröhre welche ab
ungefähr 1906 gebaut wurde. Trioden wie die bekannte ECC83 oder
12AX7 werden heute noch hergestellt. Wie die anderen
Verstärkerbauteile hat die Triode ihre Vorteile und Nachteile. Der
größte Vorteil ist ihre Kennlinie, d.h. die Abbildung von
Eingangssignal auf Ausgangssignal. Kein Verstärkerbauteil ist
linear. Linear bedeutet: das Ausgangssignal hat die gleiche Form
wie das Eingangssignal und ist "stärker". Die Triode ist "am
nächsten dran" am linearen Ideal. Ein Nachteil der Triode ist der
schlechte Wirkungsgrad. Nach meiner Meinung genügen 2 Watt
Ausgangsleistung für das Musik Hören in einem normalen Wohnzimmer.
2 Watt lassen sich günstig mit Triode erzeugen. Frank Kneifel hat
seinen Pentode
Verstärker mit seinem Triode
Verstärker verglichen und schreibt: "so kann vom
Frequenzgang und vom Klirrverhalten die Pentode [ohne
Gegenkopplung] der Triode ohne Gegenkopplung nicht das Wasser
reichen. Schwankungen im Impedanzverlauf des Lautsprechers wirken
sich bei der Pentode bedeutend stärker aus als bei einer Triode."
Beim "Black
Cat" Röhrenverstärker der TU Berlin wurde genau untersucht
was die Erfolgsfaktoren eines guten Verstärkers sind: Ganz anders
ist es mit den Summen- und Differenzfrequenzen, die bei der
multiplikativen Mischung von Signalen an Nichtlinearitäten des
Verstärkers entstehen und deren Intensität mit dem Differenztonfaktor
und dem Intermodulationsfaktor beschrieben werden. Diese
Produkte stehen nicht in einem ganzzahligen Verhältnis zu den
Grundtönen, sie passen also nicht zur Tonart des Musikstücks. Beim
Musikhören führen diese zu der Empfindung, daß die Boxen enger
zusammen und weiter weg stehen, die Musik verliert ihren Glanz,
ihre Leichtigkeit und ihre Lebendigkeit. Es entsteht ein "Sumpf"
an undefinierten Tönen, man empfindet eine allgemeine
Unbestimmtheit und Unschärfe.
Der "BLACK CAT 2" hat einen Differenztonfaktor von 0,002% und
einen Klirrfaktor von 0,033 %, während der Telefunken HA990, als
Beispiel eines handelsüblichen HiFi-Transistorverstärkers, einen
Differenztonfaktor von 0,366 (das 183-fache des BC 2) und einen
Klirrfaktor von 0,0048 hat.
Dies ist also die gesuchte Erklärung für den "magischen" Klang der
"BLACK-CAT"-Verstärker.
Der geringe Differenztonfaktor kann technisch damit erklärt
werden, daß die Röhre ein Bauelement mit einer praktisch von Haus
aus linearen Übertragungskennlinie ist. Daher benötigt ein
Röhrenverstärker vergleichsweise wenig Gegenkopplung, beim BLACK
CAT 2 ist der Gegenkopplungsfaktor (Verhältnis der Ausgangsspanung
mit und ohne Gegenkopplung) 20 dB bei 1 kHz, das ist 1 zu 10.
In Halbleiterschaltungen sind dagegen Werte von 1 zu 1000 und mehr
üblich. In diesem Zusammenhang ist zu beachten, daß jede
Gegenkopplung um die Laufzeit durch den Verstärker verzögert
wirkt, also die durch sie bewirkte Fehlerkompensation stets
unvollständig ist.
Zum Thema Gegenkopplung/Lautsprecherdämpfung Wechselwirkung noch
meine eigene Erkenntnis: bei zuviel Lautsprecherdämpfung
klingt der Verstärker langweilig. Bei zuwenig Lautsprecherdämpfung
rappelt die Lautsprecherbox. Der optimale Lautsprecherdämpfungsbereich
ist eher klein. Ein Zeitlang gab es Verstärker mit
einstellbarer Lautsprecherdämpfung (variable damping), wie z.B.
den Knight
Linear-Deluxe von Allied Radio Corporation oder Acrosound
Ultra-Linear II von Acro Products. Auch
Halbleiter-Verstärker können auf "variable damping" oder "variable
impedance" umgebaut werden, siehe mein Variable
Impedanz Transistor Verstärker oder Variable Impedance
Amplifier von Rod Elliott. Einen guten
Halbleiterverstärker aus diskreten Transistoren liefert Rod
Elliott ebenfalls.
Bemerkung: Schwache Lautsprecherdämpfung kann auch mit Dämmstoff
erreicht werden. Lautsprecherdämpfung durch passende
Ausgangsimpedanz des Verstärkers erreicht stärkere Dämpfung.
Ausgangsimpedanz von 0,5 Ohm und kleiner erzeugt auch bei einem
Röhrenverstärker den typischen "Transistorklang". Ein Lautsprecher
mit gutem Wirkungsgrad hat dann kein "Eigenleben" mehr.
Einige der hier beschriebenen Verstärker benutzen Triode oder
Trioden-Schaltung in allen Stufen, in der Vorstufe, der
Treiberstufe und der Endstufe. Die Endstufe arbeitet in Klasse A,
entweder "Single Ended" (SE) oder Gegentakt (Push-Pull, PP).
Klasse A hat wieder Vorteile und Nachteile. Ein Vorteil ist der
einfache Aufbau des Verstärkers bei SE und keine
Übernahmeverzerrung bei PP. Ein weiterer Vorteil ist, daß die
gemittelte Stromaufnahme gleich bleibt - egal ob der Verstärker
leise oder laut spielt. Ein Nachteil ist wieder der schlechte
Wirkungsgrad.
Meine Definition von Klasse A ist: Es fließt immer Strom durch
jede Endröhre. Die Klasse A Nennleistung ergibt sich bei minimal
1mA Strom durch die Endröhre oder Endröhre-Gitterspannung von
maximal -1V.
Etliche Verstärker benutzen die Ultra-Linear Schaltung in der
Endstufe. Ultra-Linear benötigt einen Ausgangsübertrager mit
Anzapfungen der Primärwicklung bei 40% bis 50% der Windungszahl.
Die optimale Anzapfung bei 43% der Windungszahl oder 18,5% der
Impedanz wird im US Patent 2710312 beschrieben. Ultra-Linear
liefert eine maximale Ausgangsleistung zwischen der niedrigeren
Triode-Schaltung und der höheren Pentode Ausgangsleistung.
Ultra-Linear liefert weniger Verzerrung als Triode-Schaltung. Das
folgende Diagramm aus dem "GEC KT88 circuit supplement" von 1958
zeigt die Intermodulation bei den zwei Frequenzen 50Hz und 6000Hz
mit Amplitudenverhältnis 4 zu 1:
Das Bild zeigt die geringste Intermodulation bei den "magischen"
43%. Zwischen 33% und 57% ist die Ultra-Linear Leistung noch gut.
Das Diagramm zeigt auch, daß bei gleicher Ausgangsleistung
Triode-Schaltung der Pentode überlegen ist. Leider habe ich bis
jetzt kein ähnliches Diagramm zum Intermodulations-Verhalten der
Acoustical QUAD Schaltung oder der McIntosh Unity-Coupled
Schaltung gefunden. Der beste Klang bei meinen Verstärkern
ohne globale Gegenkopplung entsteht durch eine Kombination von
Ultra-Linear mit meiner Variante von QUAD bzw. Unity-Coupled.
Wenige Verstärker benutzen globale Gegenkopplung oder
"Gegenkopplung über alles". Diese Verstärker funktionieren auch
ohne globale Gegenkopplung. Die Gegenkopplung reduziert die
Verstärkung nur um 2 oder 3 dB. Aufgabe dieser
"Mini-Gegenkopplung" ist bessere Kontrolle des Lautsprechers rund
um die Lautsprecher-Resonanzfrequenz, d.h. eine höhere
Lautsprecherdämpfung. Ich baue Röhrenverstärker, weil ich die
Nachteile von globaler Gegenkopplung nicht mag. Aber zuviel
rappelnde Lautsprecher mag ich auch nicht ...
Und zuletzt wird noch ein "variable impedance"
Transistorverstärker vorgestellt. Laut Rod Elliott ist der größte
Unterschied ein Ausgangswiderstand von 4 bis 6 Ohm bei
Röhrenverstärker und unter 0,5 Ohm bei Transistorverstärker.
Eine Triode gibt es entweder direkt geheizt oder indirekt geheizt und mit kleinem Spannungsverstärkungsfaktor mu oder mit großem mu. Die bekannte ECC83 ist eine indirekt geheizte Triode mit großem mu. Im Detail sind bei der ECC83 zwei Trioden in einem Glasgehäuse, eine Dual-Triode. Low-mu Trioden können bessere Linearität als high-mu Trioden haben. High-mu Trioden arbeiten oft mit kleinem Anodenstrom in der Vorstufe und low-mu Trioden wie die ECC81 oder12AT7 arbeiten mit höherem Anodenstrom in der Treiberstufe. Dual-Trioden wie die ECC99 werden sogar als Endstufe bei Kopfhörerverstärkern oder Verstärkern kleiner Leistung benutzt. Die ECC99 ist übrigens erst ab 1999 auf dem Markt. Von Tube-Town gibt es etliche Verstärker-Bausätze. "Jim" ist ein Single Ended EL84 Verstärker, "5F1" und "5F2" sind SE mit 6V6, "TT66" ist SE mit KT66, "Jim HP" ist SE mit EL34. Gegentakt mit ECC99 als Endstufe und Kathodyn-Schaltung gibt es als "Hot Lukas", "Lummerland Express" und "Emma". Den "üblichen" Gitarrenverstärker mit Gegentakt EL84 und Kathodyn-Schaltung gibt es als "TT 5Ä3 - MKII", mit 6V6 als "5E3", mit 6L6 als "5E3 HiP".
Bei den Röhrenverstärkern wurden ab 1920 die "low-mu" Trioden mit "Interstage" Übertrager-Kopplung durch "high-mu" Trioden mit RC-Kopplung abgelöst. Im zweiten Schritt wurde die Triode als Endröhre durch Pentode oder Beam-Tetrode abgelöst. Ab den 1950er Jahren war "high-mu" ECC83 und Pentode EL84 in Gegentakt-Schaltung die übliche Ausstattung von günstigen Verstärkern mit mittlerer Leistung von 17 Watt. Thomas Roddam schrieb 1951 im Artikel "Your Loudspeaker" in Wireless World: "we see that the ordinary home, for really good reproduction of symphony music, needs a 10 watt amplifier, but that for speech and chamber music we can get along with only 1 watt".| Wann |
Wer |
Was |
| 1937 |
Alan Blumlein |
Ultra-Linear Patent mit Single Ended (SE)
Verstärker |
| 1937 |
Alan Blumlein |
Long-Tail Patent, wichtig für Gegenkopplung über alles |
| 1939 |
F. Langford-Smith |
Radiotron Push-Pull Verstärker mit 6L6
Pentoden |
| 1947 |
Williamson |
Williamson Push-Pull Verstärker mit
Triode-Schaltung der Endröhren Design for a high-quality amplifier Part 1 Design for a high-quality amplifier Part 2 High-quality amplifier modifications |
| 1948 |
McIntosh |
"Unity-Coupled" Patent mit AÜ bifilar
Wicklung |
| 1949 |
McIntosh |
"Unity-Coupled" New
50-Watt Amplifier Circuit 50W-1 |
| 1951 |
Hafler, Keroes |
"Ultra-Linear" Blumlein Patent Push-Pull
Verstärker mit AÜ Anzapfung der Primärwicklung. Links siehe
hier |
| 1951 |
Parker |
"Divided loading" Q.U.A.D. II Push-Pull Verstärker mit AÜ-Wicklung an Kathode |
| 1952 |
Williamson, Parker |
Kritik an Ultra-Linear Idee |
| 1955 |
W.T.C |
Widerlegung der Kritik an Ultra-Linear Idee |
| 1958 |
Keroes |
Acrosound
Ultra-Linear II Verstärker mit Röhren
Operationsverstärker Schaltung |
| 2004 |
Westphal |
Black
Cat 2 (verbesserte Acrosound Ultra-Linear II
Schaltung) |
Ab spätestens 1939 haben die Push-Pull (PP) Verstärker
"gewonnen". Kein Wunder bei theoretisch maximalen Wirkungsgrad von
50% bei PP Klasse A Verstärker gegenüber maximal 25% bei SE Klasse
A Verstärker. In der Tabelle wird die wichtige Rolle des
Ausgangsübertrager deutlich. Weniger klar ist die Diskussion über
keine Gegenkopplung, lokale Gegenkopplung und Gegenkopplung über
alles zu sehen. Bei Halbleiter HiFi-Verstärker ist der Situation
einfach: ohne massive Gegenkopplung über alles klingen diese
Verstärker schrecklich, diskrete Operationsverstärker-Schaltung
ist üblich. Ohne Gegenkopplung sind nur HiFi-Verstärker mit
Trioden oder in Trioden-Schaltung möglich. Ultra-Linear-, QUAD-
und Unity-Coupled-Schaltung haben lokale Gegenkopplung zwischen
Ausgangsübertrager und Endstufe.
Die Firmen QUAD (Acoustical Manufacturing Company) und McIntosh bauen heute etliche Halbleiter-Verstärker. Beide haben (wieder) Röhrenverstärker im Angebot. Im QUAD QII-Forty und McIntosh MC275 werden KT88 Beam-Tetroden benutzt, eine gute Wahl meiner Meinung nach. Die Hafler und Keroes Firma Acro Products Company produzierte Ultra-Linear Übertrager, später auch Verstärker, und ist vom Markt verschwunden. Alan Blumlein ist im Jahr 1942 leider bei einem Flugzeug-Absturz verstorben.
Acro Products Acrosound Ultra-Linear II Verstärker aus der
Blütezeit der Röhren HiFi Verstärker. Bestückung: ECC83, ECC82,
2*EL34, 5AR4.
Ultra-Linear (UL) geht zurück auf das US Patent 2218902 von Alan
Blumlein, angemeldet 1938. Die klassische self-bias push-pull
Ultra-Linear Schaltung zeigt z.B. Langford-Smith:
Im M-O Valve Datenblatt der KT66 steht: "It is essential to use
two separate cathode bias resistors". Dieses "must have" gilt
meiner Meinung für alle self-bias Push-Pull Schaltungen. Die
"Schwingbremse" Widerstände R1 und R2 mit Werten von 100 Ohm bis
10 kOhm werden oft durch Drahtbrücken ersetzt. Die RC-Glieder R3,
C1 und R4, C2 müssen nur bei schlechtem Ausgangsübertrager mit
hoher Streuinduktivität (leakage
inductance) benutzt werden. Dann
R3=R4=47 Ohm und C1=C2=1nF als erste Werte probieren.
Langford-Smith schreibt in "Ultra
Linear Amplifiers" 1955: "Typical values are 0.001 or 0.002
uF and 47 to 220 ohms". Porto schreibt in "High
Fidelity with Mullard's 520 Circuit" 1956: "it has been
found that improved linearity is obtained at power levels above 15
watts [with EL34 push-pull] when resistors on the order of 1000
ohms are inserted in the screen-grid feeds". Hohe
Streuinduktivität produziert "Klingeln", d.h. parasitäre,
abklingende Oszillation. Siehe 1956 Artikel
UL
Output Transformers von Leakey und Gilson.
Jeder Kathodenwiderstand braucht einen eigenen
Überbrückungskondensator. Widerstand und Kondensator wirken
zusammen als "Kathodenspannungs-Batterie". Die Ausgangsleistung
bei Klasse AB der UL Endstufe liegt zwischen der höheren
Ausgangsleistung in Pentoden-Schaltung und der kleineren
Ausgangsleistung in Trioden-Schaltung. Laut Langford-Smith ist der
optimale Lastwiderstand bei UL höher als bei Pentode-Schaltung.
In den 1950er Jahren gab es etliche Ultra-Linear Artikel in den
Zeitschriften:
| Jahr-Monat |
Zeitschrift |
Authoren |
Titel |
Bemerkung |
| 1951-11 |
Audio Engineering |
Hafler, Keroes |
An
Ultra-Linear Amplifier |
2 mal 6L6 |
| 1952-06 |
Audio Engineering | Hafler, Keroes | Ultra-Linear Operation of the Williamson Amplifier | 2 mal KT66 |
| 1952-09 |
Wireless World |
Williamson, Walker |
Amplifiers
and Superlatives |
|
| 1953-02 |
Radio & Television News |
Hafler, Keroes |
Improving
the Williamson Amplifier |
2 mal KT66 |
| 1955-02 |
Radio & Television News | Hafler |
A
60-Watt "Ultra-Linear" Amplifier |
4 mal KT66 |
| 1955-05 |
Radiotronics |
Langford-Smith, Chesterman |
Ultra
Linear Amplifiers Part 1 |
2 mal KT66 |
| 1955-06 |
Radiotronics | Langford-Smith, Chesterman | Ultra
Linear Amplifiers Part 2 |
6V6, KT66 |
| 1955-07 |
Radiotronics | Langford-Smith, Chesterman | Ultra
Linear Amplifiers Part 3 |
KT66 |
| 1955-08 |
Wireless Engineer |
W.T.C. |
Ultra-Linear
Amplifiers |
|
| 1956-01 |
Wireless World |
Leakey, Gilson |
UL
Output Transformers |
2 mal N709 (EL84) |
| 1956-01 |
Wireless World |
Tetrodes
with Screen Feedback |
2 mal KT66 |
|
| 1956-04 |
Radio & Television News | Porto |
High
Fidelity Performance with Mullard's 520 Circuit |
2 mal EL34 |
| 1956-04 | Radio & Television News | Kramer |
New
25-Watt Power Amplifier |
2 mal 5881 |
| 1956-06 |
Radio & Television News | Hafler |
A
50-Watt Power Amplifier |
2 mal EL34 |
| 1958-01 |
Radio & Television News | Heathkit |
70
Watts for HiFi |
2 mal 6550 |
| 1958-03 |
Radio & Television News | Burstein |
Upgrading
the HiFi Amplifier |
|
| 1958-06 | Radio & Television News | 70
Watts with KT88's |
2 mal KT88 |
|
| 1958-07 |
Radio & Television News | Bell Sound Systems |
A
Hi-Fi 50-watter |
2 mal 6CA7 (EL34) |
| 1958-09 |
Radio & Television News | Allied Radio Corporation |
A
25-Watt Power Amp |
2 mal EL37 |
| 1958-09 |
Audio |
Keroes |
Hybrid
Feedbacks for Power Amplifiers (Acrosound Ultra-Linear
II) |
2 mal EL34 |
"Divided loading" geht zurück auf die Acoustical
Q.U.A.D. Verstärker ab 1951 und "Unity-coupled" auf das
US-Patent 2477074 von Frank H. McIntosh, angemeldet 1948.
Natürlich ist Ultra-Linear, QUAD und Unity-coupled eine Art von Gegenkopplung, aber die richtige Art von Gegenkopplung. Das folgende Schaltbild, Fig.4 aus dem Artikel "Amplifiers and Superlatives" von D.T.N. Williamson und P.J. Walker zeigt die QUAD Schaltung welche Firma Acoustical benutzte:
Bei QUAD gibt es eine Gegenkopplung über die Kathoden-Wicklung.
Diese lokale Gegenkopplung hat natürlich geringere Laufzeit als
eine Gegenkopplung "über alles" und ist dadurch stabiler. Der QUAD
Ausgangsübertrager ist eine Sonderanfertigung. Es gibt zwei
Primärwicklungen. In meiner "Arme Leute" Variante wird die
Sekundärwicklung an die Kathode angeschlossen. Es kann ein
normaler Ausgangsübertrager benutzt werden. Die Kombination aus UL
Ausgangsübertrager und "Arme Leute" QUAD Schaltung optimiert den
"keine globale Gegenkopplung" Verstärker.
Das folgende Schaltbild, Fig.2 aus dem McIntosh Patent, zeigt
einen "unity-coupled" Übertrager mit Gegentakt-Endstufe. 30 und 35
sind eine bifilare Wicklung, 33 und 36 sind die zweite bifilare
Wickung. Die Wicklungen 26 sind die Sekundärseite und 27 ist der
Lautsprecher.
Bei Unity-coupled werden Anode der einen Gegentakt-Endröhre und
Kathode der anderen Gegentakt-Endröhre an eine bifilare Wicklung
angeschlossen. Eine bifilare Wicklung besteht aus zwei Drähten,
die gleichzeitig von der Wickelmaschine auf den Wickelkörper
aufgewickelt werden. Die zwei Drähte haben sehr gute Kopplung,
d.h. Koppelfaktor von 1, deshalb der Name "unity-coupled". Ein
Ausgangsübertrager mit bifilaren Wicklungen dürfte heute eine
Sonderanferigung sein. Oder man findet einen original McIntosh
Ausgangsübertrager. Auf der McIntosh Firmenseite ist der
Schaltplan des 50W-2
Verstärker wo noch deutlich die "unity-coupled" Wicklungen
gezeichnet werden. In späteren Schaltbildern bis zum aktuell
produzierten MC275 wird bifilare Wicklung weiterhin benutzt, ist
aber im Schaltbild nicht mehr deutlich zu sehen. Interessant auch,
daß das Schirmgitter der einen Endröhre über Widerstand mit der
Anode der anderen Endröhre verbunden ist. Das bleibt typisch für
spätere McIntosh Verstärker.
Langford-Smith und Chesterman schreiben 1955 über "Comparison
between UL and divide plate and cathode loading": Thus
divided loading operation has a performance in some ways similar
to that of the UL operation. The principal difference is that
divided loading has additional negative voltage feedback in the
cathode-grid circuit.
Die PCL86 ist seit 1960 auf dem Markt, die EL84 seit 1953. Die
PCL86 war nicht der erste Versuch eine Triode/Pentode Verbundröhre
für den Niederfrequenzverstärker im Fernsehempfänger zu
entwickeln. Meiner Meinung nach war mit der PCL86 diese
Entwicklung zu Ende. Einmal weil die Transistortechnik das Thema
Niederfrequenzverstärker ab 1960 übernommen hat. Zweitens, weil
für den Massenmarkt die PCL86 das beste Preis/Leistungsverhältnis
erreicht hat. Die PCL86 kommt mit weniger Heizleistung als die
Vorgänger aus und hat mehr maximale Anodenverlustleistung als die
Vorgänger. Die Triode in der PCL86 hat eine Spannungsverstärkung
von mu=100 und ist somit mit der ECC83 vergleichbar. Die PCL805
ist eine Triode/Pentode von 1968, entwickelt als Vertikalendstufe
für Fernseher. Frank Kneifel hat ausführlich PCL805
Trioden-SE berechnet und getestet.
Der Verstärker läuft mit einer Anodenversorgungsspannung von 45V
aus fünf 9V Batterien. Der Pentoden-Anodenstrom ist 2mA. Zusammen
mit einem Visaton 4" Lautsprecher "R
10 S-8" ergibt sich (leise) Zimmerlautstärke. Während ich
diesen Artikel schreibe läuft der PCL86 Verstärker als
Steckbrettaufbau im Hintergrund. Audioquelle ist ein UKW Empfänger
der nur aus einem TDA7088 besteht. Die Heizung erfolgt mit 12V
Wechselspannung. Die Heizspannung der PCL86 wird unterschiedlich
angegeben, im Philips Datenblatt mit 13V, bei Telefunken mit
14,5V. Die USA Vergleichröhre der PCL86 ist die 14GW8. Dabei
bedeutet 14 eine Heizspannung von 14V. Bei normaler Nutzung, d.h.
nicht "Langlebensdauer", sind plus minus 10% Abweichung bei
Heizspannung erlaubt.
Das Schaltbild zeigt typischen Stand der Technik bei SE
Röhrenverstärker kleiner Leistung mit indirekt geheizten Röhren.
Der Arbeitspunkt, d.h. der Anodenstrom ohne Eingangssignal, von
Triode U1a wird mit R3 eingestellt. R1 legt das Gitter auf
Massepotential. Durch R3 ist die Kathode positiver als das Gitter
oder - so wird es üblicherweise beschrieben - das Gitter ist
negativer als die Kathode. Durch C1 wird der Kathodenwiderstand R3
für Wechselspannung "unsichtbar". Die Triode U1a arbeitet deshalb
ohne Gegenkopplung mit maximaler Verstärkung. Der Anodenwiderstand
R2 wandelt die Stromänderung des Anodenstroms in eine
Spannungsänderung der Anodenspannung um. Der Wert von R2 ist aus
dem PLC86 Datenblatt übernommen worden. Mit C2 wird der Ausgang
von U1a auf den Eingang von U1b gekoppelt. Das Gitter von U1b
liegt auch auf Massepotential, die Spannung an R2 ist deutlich
größer. Der Arbeitspunkt von Triode U1b wird mit R5 eingestellt.
C3 erfüllt die gleiche Aufgabe wie C1. C3 ist ein
Elektrolyt-Kondensator.
U1b ist eine Pentode in Trioden-Schaltung, d.h. Schirmgitter g2
ist mit der Anode verbunden. Einige Personen argumentieren, daß
nur "echte" Trioden "richtige" Trioden sind. Das Datenblatt von
EL84 und anderen Pentoden zeigt die Triode-Schaltung Kennlinie
neben der Pentode-Schaltung Kennlinie. Ich sehe in dieser
Triode-Schaltung Kennlinie typisches Trioden-Verhalten, d.h. für
mich ist eine Pentode in Triode-Schaltung eine "richtige" Triode.
Der Einfluß des Bremsgitter g3 bei Triode-Schaltung ist sehr klein
und kann ignoriert werden. Bemerkung: bei PCL86, EL84 und vielen
anderen Pentoden ist Bremsgitter intern an Kathode angeschlossen.
L1 und L2 sind der Ausgangsübertrager mit Primärwicklung und
Sekundärwicklung. Ich verwende den Hammond 125BSE. Günstiger ist
der Tube-Town "TT-OT25BSE".
RL simuliert den Lautsprecher und ist Teil der Simulation.
Gleiches gilt für V2, die Simulation einer Audioquelle. V1 ist die
Anodenbatterie aus fünf 9V Batterien. Bei einer Stromaufnahme von
3mA halten die Batterien lange. Auf den Kondensator C4 kann
verzichtet werden. Seine Aufgabe ist der Kurzschluß von
hochfrequenten Wechselströmen auf der Versorgungsspannungsleitung.
Jedes Stück Draht wirkt als eine Antenne!
Oft wird am Gitter ein Schutzwiderstand von 1 Kiloohm bis 100
Kiloohm empfohlen und am Schirmgitter ein Schutzwiderstand von 100
Ohm. Bei meinem Testaufbau waren solche Schutzwiderstände nicht
nötig. Wichtiger sind gute abgeschirmte Kabel zwischen Audioquelle
und Verstärker. Wieder einmal habe ich die schlechte Qualität von
fertig gekauften abgeschirnten Kabeln bemerkt. Entweder man kauft
wirklich gute Qualität für teures Geld oder bastelt sich aus
RG178, RG316 oder RG179 Koaxkabel und Stecker selbst gut
abgeschirmte Kabel.

Das Netzteil eines Röhrenverstärker ist für mich eine Abwägung
zwischen Sicherheit und Leistung. Die Schutzkleinspannung für
Gleichspannung ist 120 Volt. Die Anodenversorungsspannung ist 300
Volt für eine EL84 bei voller Leistung laut Datenblatt. Für einige
Elektronenröhren gibt es im Datenblatt auch Leistungsangaben für
170 Volt. Mein Netzteil liefert 185 Volt. Diese Spannung läßt sich
mit zwei günstigen Transformatoren aus aktueller Produktion
erzeugen. Ein Trafo sorgt für die Heizspannung, der andere sorgt
für die Anodenspannung. Der erste Trafo hat 24 Volt
Wechselspannung bei 10 VA (Volt-Ampere oder Watt), der zweite
Trafo hat zweimal 24V Wechselspannung bei 5 VA. Damit die
Anodenversorgungsspannung ordentlich hoch wird werden zwei
"Tricks" benutzt: einmal liegen alle Sekundärwicklungen in Reihe
für die Anodenspannung, d.h. 72 Volt Wechselspannung stehen zur
Verfügung. Zweitens wird eine Spannungsverdoppler-Schaltung, die
Delonschaltung, benutzt um aus 72 Volt Wechselspannung 189 Volt
"rohe" Gleichspannung zu machen. Diese Gleichspannung wird durch
RC-Filter geglättet. Am Netzteil-Ausgang stehen ungefähr 185V
geglättete Gleichspannung zur Verfügung. ACHTUNG: im
Leerlauf liefert das Netzteil gemessen 255 Volt Gleichspannung. Warnung:
nach dem Ausschalten sind die Netzteil-Elkos noch geladen und
bleiben es auch noch für Stunden. Deshalb vor Arbeiten am
ausgeschalteten Gerät die Elkos über einen Widerstand von z.B. 1
Kiloohm entladen.
![]() |
![]() |
Das Buch "Tabellenbuch der Elektronik und Nachrichtentechnik" von
W. Benz, P. Heinks und L. Starke begleitet mich seit 1980. Auf
zwei Seiten wird die Berechnung von Netzteilen mit Glättung
beschrieben. Für uns ist die Einweg-Schaltung als Teil des
Delon-Spannungsverdoppler interessant. Im Transformator Datenblatt
wird effektive Wechselspannung Ueff und effektiver Wechselstrom
Ieff angegeben. Mit Ladekondensator, d.h. bei kapazitiver
Belastung gelten die Näherungsformeln: U=Ueff/0,85. Wir überprüfen
die LTSpice Simulation: Ueff=72V mit Spannungsverdoppler ergibt
U=169V. Die LTSpice Simulation und der Aufbau liefern andere
Werte. Simulation liefert 185V, Aufbau 193V.
Leistungsmäßig werden vom Heiztrafo 24V*0,3A=7,2W für die Heizung
gebraucht. Die 190V Speiseleitung braucht 7,6W laut Simulation.
Zusammen sind das knapp 15W. Die Trafos werden "ordentlich" warm
im Betrieb. Bei diesen kleinen Trafos ist der Wirkungsgrad
deutlich unter 90%.
Die RC-Glieder R1 bis R4 und C3 bis C8 im Netzteil sollen die Frequenz 100Hz und Harmonische wegfiltern. Willkürlich wird als Grenzfrequenz 25Hz festgelegt. Nach fg=1/(6.28*R*C) wird nach Umstellung und Einsetzen R=1/(6.28*25Hz*220uF)=29,0 Ohm. Gewählt wird 33 Ohm für R1 bis R4. Der Widerstand muß P=I^2*R=0.03W Leistung in Wärme umsetzen. Ein kleiner Metallschicht-Widerstand kann maximal 0,6W.
Die PL508 wurde nicht als Niederfrequenz-Pentode entwickelt,
sondern als Röhre für die Vertikalendstufe im Farbfernseh
Empfänger. Die Bildwechselfrequenz ist 50Hz oder 60Hz. Die
maximale Anodenverlustleistung ist 12 Watt wie bei EL84 oder PL84.
Aber das Glasgehäuse ist deutlich größer und die Fassung ist
Magnoval. Die PL508 hat wie die EL86 einen maximalen Kathodenstrom
Ik von 100mA, kann aber deutlich höhere Impulsströme liefern - so
300mA. Für mich ist die PL508 sehr gut geeignet als Verstärker für
Schlagzeug oder harter Plektrum-Anschlag. Der Verstärker hat keine
Gegenkopplung - und braucht auch keine. Als Ausgangsübertrager
verwende ich den Hammond 125BSE. Günstiger ist der Tube-Town "TT-OT25BSE".
Mein Geheimtipp ist der Tube-Town tt-otg5v3,
ein 2,1kg SE Übertrager mit Mittelanzapfung und maximal 150mA
Gleichstromanteil. Alle können auf 10kOhm, 5kOhm oder 2,5kOhm
Anodenwiderstand auf 8 Ohm Lautsprecherwiderstand verdrahtet
werden. Ich empfehle 5kOhm Anodenwiderstand auf 8 Ohm bei einem 8
Ohm Lautsprecher für gute Lautsprecherdämpfung mit der PL508. Das
"Bauteil" V_Ig ist ein Strom-Messgerät für Gitterstrom in der
Simulation.
Die PCC88 oder 7DJ8 hat eine Heizspannung von 7 Volt, die PL508
oder 17KW6 von 17 Volt. Die Heizspannung aus dem Netzteil passt
genau für Reihenschaltung der Heizfäden beider Röhren. Mit einer
Spannungsverstärkung mu von 33 liegt die PCC88 zwischen ECC99 mit
mu=22 und ECC81 mit mu=66. Als Spanngitter-Röhre hat die PCC88
eine hohe Steilheit von 12,5mA/V. Spanngitter-Röhren haben wenig
Mikrofonie. Wegen der hohen Steilheit von PCC88 und PL508 müssen
"Schwingbremsen" eingebaut werden, dies sind die Kondensatoren C3,
C7, C10. Die Kondensatoren sollen direkt zwischen Anode und
Kathode der Röhre gelötet werden, d.h. diese Bauteile als erste an
die Röhrenfassungen löten. Kondensator C3 und Anodenwiderstand R2
wirkt als Tiefpass. Dieser Tiefpass verhindert Oszillation im
Megahertz Bereich - eine Frequenz die auch Fledermäuse nicht mehr
hören, die aber den Verstärker "verstopft" und dumpf klingen
lässt. Wegen dem Kondensator zwischen Anode und Kathode ist kein
Schutzwiderstand am Gitter nötig, der Schutzwiderstand
verschlechtert die Eigenschaften des Verstärkers. Dies ist eine
"entweder oder" Entscheidung.
Der Verstärker kann auch mit EL508, E88CC oder 6922 und dem EL86
ECC81 Netzteil aufgebaut werden. Wegen der höheren
Versorgungsspannung den Wert von R9 auf 1,2 kOhm erhöhen. Bei 270V
Versorgungsspannung ist die maximale Ausgangsleistung 2,4 Watt.
Zum Thema "Schwingbremse" und Schutzwiderstand steht im Buch
"Radiotron Third Edition" von 1941 unter dem Titel "Parasitic
Oscillation" auf Seite 16:

Im PL508 PCC88 Triode Amp habe ich die erste Verbesserung "Kleiner
Kondensator von jeder Anode nach Masse" in der Variante "Kleiner
Kondensator zwischen Anode und Kathode" benutzt. Heutzutage wird
scheinbar nur noch die dritte Verbesserung "Serien Stopper
Widerstände an Gitter und Anode, angeordnet so nah als möglich an
der Röhre" benutzt - ich nenne sie Schutzwiderstand. Die
Verbesserung "verbesserter Aufbau mit kurzen Drähten" ist im
Schaltplan nicht sichtbar.
Die PCC88 ist eine "echte" Treiberröhre. Sie braucht Anodenstrom für gute Funktion. Deshalb sind die Widerstände an Anode und Kathode niederohmig im Vergleich zu einer Schaltung mit ECC83. Sind die Anodenwiderstände klein, dann können die Gitterwiderstände der folgenden Stufe auch klein sein - so dreimal Anodenwiderstand genügt. Über die Versorgungsspannungs-Leitung "läuft" auch ein Signal von Ausgang zu Eingang. Wenn die Endröhre Strom "zieht", dann sinkt wegen dem Innenwiderstand des Netzteils die Versorgungsspannung. Über Anodenwiderstand und Millerkapazität koppelt dieses Signal auf die Gitter der Vorstufen- und Treiberröhren. U1a hat das RC Glied R1, C2 um die Spannungsversorgung dieser Röhre von der Spannungsversorgung der Endstufe zu entkoppeln. Für U1b ist es R5, C6. Nebenbei glättet dieses RC Glied noch das Netzteil-Brummen. Wird der Eingang dieses Verstärkers auf Masse gelegt, dann ist der Lautsprecher stumm.
Die Kondensatoren C1, C5 und C9 machen einen HF-Kurzschluß zwischen Versorgungsspannung und Masse für jede Verstärker-Stufe. Das Schaltbild soll die sternförmige Verdrahtung der drei Verstärkerstufen zeigen. Diese Verdrahtungsart ist wegen der hohen Gesamtverstärkung nötig um Oszillation bei hochohmiger Audioquelle zu vermeiden. Zwischen Eingang und Anode Endröhre ist die Spannungsverstärkung 70dB. Die Bauteile von U1a werden an zwei Punkte geführt, den U1a Versorgungsspannungs-Punkt und an den U1a Masse-Punkt. Das gleiche wird mit U1b und U2 gemacht. Dann werden die drei Versorgungsspannungs-Punkte sternförmig zum Netzteil-Anschlußpunkt geführt, genauso die drei Masse-Punkte. Es gibt genau eine Verbindung vom Netzteil-Anschlußpunkt zum Chassis oder zur Abschirmung. Eingangs- und Ausgangsbuchsen werden NICHT mit dem Chassis verbunden um Brummschleifen zu vermeiden, sondern zu den entsprechenden Anschlußpunkten der Verstärker-Stufen geführt.
Im PCC88 Datenblatt steht: "The unit a, g, k should be used as the grounded cathode input section and unit a', g', k' as the grounded grid output unit". Die PCC88 wird hier nicht als Kaskode benutzt, trotzdem ist die Triode a, g, k mit den Pins 6, 7, 8 besser als Vorstufe geeignet. Weiterhin soll der Pin 9, Abschirmung, an den Masse-Punkt von U1a angeschlossen werden.
Eine gute Abschirmung - wenigstens von Audioquelle über Verstärkereingang bis Gitter der PCC88 U1a - ist nötig damit nicht Netzbrummen aufgenommen wird. Elektromagnetischen Wellen breiten sich im Raum aus, auch bei einer Frequenz von 50Hz. Meiner Erfahrung nach ist 50Hz Einstrahlung aus dem Raum die größte Ursache für Brummen aus dem Lautsprecher. Wer den Verstärkereingang mit dem Finger berüht hört das deutlich. Hier wirkt der menschliche Körper als Antenne für 50Hz. Abschirmung ist billig mit aufgeklebter Alufolie auf der Innenseite des Gehäuse möglich. Zweite Ursache ist meiner Meinung nach die induktive Kopplung von Netztrafo auf Ausgangsübertrager. Deshalb diese beiden Bauteile räumlich trennen und in einem Winkel von 90° zueinander anordnen. Ringkerntrafos "strahlen" auch 50Hz Netzbrumm in den Raum. Es gibt eine kapazitive Kopplung von Heizfaden auf Kathode welche Wechselspannung von der Heizung auf die Kathode überträgt. Wir reden hier von Pikofarad und 50Hz - für mich ist Gleichrichtung der Heizspannung nicht nötig.
Wie bei Röhrenschaltungen üblich müssen einige Kondensatoren
hohe Spannung aushalten und einige Widerstände hohe Leistung. C1
bis C10 sollten 400 Volt Gleichspannung Typen sein. Für C11 bis
C13 genügen 50 Volt. Der Widerstand R9 oder Rk setzt 0,5 Watt
Leistung in Wärme um. Ich empfehle hier einen 2 Watt
Drahtwiderstand. Je mehr Watt der Widerstand hat, umso weniger
erwärmt sich dieser Widerstand. Dabei bitte nicht übertreiben. Ein
passend dimensionierter Rk ist nebenbei eine Sicherung. Hohe
Temperatur des Elko C13 verkürzt die Lebensdauer, deshalb Abstand
halten zwischen Rk und C13. Der Widerstand Rk sollte auch nicht
direkt die Platine berühren - mit etwas Abstand einbauen.
Idealerweise funktioniert für Rk der Kamineffekt: kühle Luft kann
möglichst ungehindert von unten nach oben an Rk vorbei strömen.
Ich habe schon Röhrenverstärker mit Lüfter gesehen - so etwas
gefällt mir nicht. Lieber ein größeres Gehäuse verwenden, die
Hitze produzierenden Bauteile sinnvoll anordnen und Löcher für den
Kamineffekt bohren. Gehäusefüße sind nötig und der Verstärker
sollte frei stehen. Die Heizleistung von PL508 und PCC88 sind
zusammen 7,2 Watt. Das Glasgehäuse der PL508 wird richtig heiß.
Gut ist eine Lochblech-Haube über die Röhren für Berührschutz und
Konvektion.

Die PL508 und PCC88 gibt es relativ günstig NOS (new old stock)
bei BTB
Elektronik. Wer die PCC88 als "Fernseher-Röhre" nicht mag,
kann die E88CC benutzen. Es gibt kleine Unterschiede bei der
Heizung: PCC88 hat 7V/300mA, E88CC hat 6,3V/300mA. Die E88CC gibt
es wieder aus aktueller Produktion von JJ Electronic. Die E88CC und
PCC88 sind als gute Trioden bekannt, deshalb gibt es hier keine
Schnäppchen-Preise mehr. Die PL508 ist noch nicht so richtig für
Röhrenverstärker entdeckt worden.
Auf mvaudiolabs gibt es die "tube
data library" mit THD Messungen vieler Elektronenröhren in
Triode-Schaltung. Der optimale Arbeitspunkt für die PCC88 mit
THD=0,099% ist Ug1=-8V, Ia=6mA. Die E88CC hat optimal THD=0,094%
bei Ug1=-8,5V, Ia=6mA. Die PL508 hat optimal THD=0,11% bei
Ug1=-31V, Ia=40mA, Ua=240V.
Für einige Trioden gibt es im Datenblatt eine Rg, Ra, Rk Tabelle. Für die PCC88 nicht. Die E80CC ist mit mu=27 recht ähnlich zur PCC88 und hat eine Rg, Ra, Rk Tabelle:
Das RC Glied C4, R4 wird bestimmt mit der Formel f = 1 / (6,28 *
R * C). Bei der -3dB Grenzfrequenz f sind kapazitiver
Blindwiderstand von C und Widerstand R gleich groß. Nach Umstellen
und mit f=50Hz, R=330 Kiloohm ergibt sich C = 1 / (6,28 * R
* f) = 9,6 nF, gewählt wird 10nF. Weil zwei RC Glieder C4, R4 und
C8, R8 hintereinander geschaltet sind und weil der
Ausgangsübertrager auch ein Hochpass ist, werden besser 22nF für
C4 und C8 gewählt. Besonders beim Koppelkondensator tritt die
"viel hilft viel" Krankheit auf. Wird der Koppelkondensator viel
zu groß gewählt, dann hat die Röhre vor dem Koppelkondensator
Probleme den Kondensator schnell genug umzuladen, d.h. harte
Schläge auf die Basstrommel werden "weich gespült". Das RC Glied
R3, C11 an der Kathode wird genauso berechnet. Mit f=50Hz, R=1
Kiloohm ergibt sich C=3,2 uF. Gewählt wird 22uF. Die
Kathoden-Kondensatoren sind für das Impulsverhalten nicht so
wichtig wie die Koppelkondensatoren.
Die Barkhausen Triode Formel Ri = mu / S erlaubt die Berechnung
des internen Anodenwiderstand oder Innenwiderstand einer Triode.
Der externe Anodenwiderstand oder Lastwiderstand soll deutlich
größer sein, so dreimal größer oder mehr. Die PL508 hat mug2g1=8
und S=9mA/V laut Datenblatt. Der Ri ist 889 Ohm. Ein externer
Anodenwiderstand bzw. Impedanz der Primärwicklung von 2,5 kOhm
ergibt den Faktor 2,8. Besserer Höreindruck ist bei externen
Anodenwiderstand 5 kOhm oder Dämpfungsfaktor 5,6 gegeben.
Für PCC88 und PL508 habe ich LTSpice Modelle erzeugt. Das PCC88
Modell ist aus Datenblatt-Diagrammen entstanden. Das PL508
Datenblatt enthält kein Diagramm für Triode-Schaltung und kein
Diagramm über die Stromverteilung Anode zu Schirmgitter. Die Tube
Data Library hat ein PL508
Ia=f(Va,Vg) Diagramm.
Hier nun das simulierte Spektrum des PL508 PCC88 Verstärker.
Eingangsspannung 35mV Spitze, Ausgangsleistung 1,3W,
Eingangsleistung 6,0W:
Das Spektrum ist "Triode-typisch": die dritte Harmonische ist kleiner als die zweite Harmonische. Bis maximal Eingangsspannung 24mV Spitze, Ausgangsleistung 0,6W, Eingangsleistung 5,5W gibt es keine siebte Harmonische:
Die Leistung ist bescheiden für einen HiFi Verstärker, der Klang
ist gut. Eine "Frame output Pentode" ist nicht bekannt für
niedrigen THD. Von den schlechten ist die PL508 noch die Beste. In
der Tube
Data Library steht: "In triode mode linearity is good (same
as all PL5*** family), but spectrum is different. It has same
large amount of higher harmonics, but it’s not dominated by uneven
ones (5th particularly). Instead it’s more monotonically falling
spectrum which should sound much better then other TV
pentodes."



Die folgenden fünf Push-Pull Schaltungen benutzen die gleichen
Röhren, den gleichen Ausgangsübertrager und soweit möglich die
gleichen Bauteile. Ich möchte die verschiedenen Schaltungen
möglichst objektiv vergleichen, soweit dies in einer Simulation
möglich ist. Die Schaltungen sind:
And the winner is ... das hängt von der Bewertung ab. Meine
Bewertung ist niedrige untere Grenzfrequenz. Die
Simulationsergebnisse:
| Name |
Grenzfrequenz |
Verstärkung |
HiFi-Leistung |
Nennleistung |
| Pentode |
184 Hz |
37 dB |
2.8 W @ 120 mV |
7.3 W @ 220 mV |
| Ultra-Linear |
71 Hz |
30 dB |
3.2 W @ 300 mV |
11.1 W @ 590 mV |
| UL mit Divided Load |
47 Hz |
27 dB |
3.3W @ 430 mV |
11.2 W @ 820 mV |
| Triode |
44 Hz |
26 dB |
1.9 W @ 365 mV |
7.0 W @ 700 mV |
| UL mit Gegenkopplung |
43 Hz |
27 dB |
3.3 W @ 430 mV |
11.2 W @ 820 mV |
Versorgungsspannung ist 278V. Die Grenzfrequenz ist -1dB
Spannungspegel im Vergleich zu 1kHz Sinus bei HiFi-Leistung. Die
Verstärkung ist Ausgangsspannung an 16 Ohm Widerstand zu
Eingangsspannung. Als HiFi-Leistung ist die "keine 7. Harmonische"
Leistung definiert. Als Nennleistung ist die "Klasse A" Leistung
definiert. Die Verstärker können mehr Leistung liefern, sind dann
aber in Übersteuerung mit den schlechten Auswirkungen auf
Klirrfaktor.
Die Trioden-Schaltung liegt auf dem zweiten Platz. Der Nachteil
ist die geringe Leistung. Der erste Platz geht an Ultra-Linear mit
"Mini-Gegenkopplung" von 3dB. Wer schwere Allergie gegen globale
Gegenkopplung hat, sollte Ultra-Linear mit Divided Load benutzen,
d.h. Platz drei.
Pentoden-Schaltung ohne Gegenkopplung ist nur als schlechtes
Beispiel enthalten. Wer natürlich den Verstärker mit der größten
Verstärkung sucht, wird hier glücklich. Die Ultra-Linear Schaltung
"ohne Extras" tauscht höhere Verstärkung gegen schlechtere untere
Grenzfrequenz.
Meine persönlichen Lieblinge sind UL mit Gegenkopplung, weil sich
hier Lautsprecherdämpfung mit einem Widerstand einstellen läßt und
UL mit Divided Load, weil es dort keine Probleme mit globaler
Gegenkopplung geben kann.
Der Ausgangsübertrager hat die -3dB Spannungspegel-Grenzfrequenzen
50Hz und 30kHz in der Simulation. Die Verstärker sind auf gute
Impulsantwort optimiert, d.h. "trockene" Schlagzeug-Klänge, nicht
auf tiefste Grenzfrequenz.
Der Verstärker erzeugt genug Lautstärke für Ohrenschmerzen bei
mir, wie nach einem Konzert ohne Ohrstöpsel. Mehr Röhrenverstärker
ist meiner Meinung im Wohnzimmer nicht nötig. Meine Box hat 93dB
Wirkungsgrad und ist weiter unten beschrieben.
Für 250V Versorgungsspannung ist ein Netztrafo mit 200V
Wechselspannung effektiv nötig. Tube-Town hat zwei Netztrafo im
Angebot: den Ringkern tt-t30-v2 und den EI-Kern tt-ket30. Ich habe
den EI-Kern gewählt, weil dieser 100mA auf der 200V Leitung
liefert. Dafür ist die 6,3V Leitung schwach mit nur 1,6A. Die
beiden EL86 und die ECC81 brauchen 1,82A. Wenn nötig gibt es einen
eigenen Heiztrafo. Gemessen liefert das Netzteil 245V und 5,9V.
Der Netztrafo ist leicht überlastet und wird warm aber nicht heiß.
Mit zusätzlichen Heiztrafo 16VA 6V sind die Spannungen 251V und
6,5V.
Achtung: An den Anoden von U2 und U3 kann eine Spannung von
maximal der doppelten Versorgungsspannung auftreten. Ursache ist
die Energie-Speicher-Eigenschaft einer Induktivität, hier der
Primärwicklung des Übertragers.
Schaltbild des Verstärker:

Das Vorbild für diesen Verstärker ist eine RCA Schaltung von
1950, siehe "A
high-quality sound system for the home". Drei Jahre nach dem
sehr erfolgreichen Williamson Verstärker mit 20dB bis 30dB
Gegenkopplung über alles erlaubt sich RCA einen Verstärker ohne
Gegenkopplung als High-Quality Verstärker vorzustellen. Die
Endröhre 6F6 ist ein Vorläufer der 6V6 und wird in
Triode-Schaltung benutzt.
Die ECC81 oder 12AT7 wird heute wieder von z.B. Electro Harmonix oder JJ produziert. Die EL86 gibt es als NOS (New old Stock), auch als "matched pair". Der otg5v3 Übertrager hat eine Mittel-Anzapfung und kann deshalb für Push-Pull (PP) oder für Pentode SE Ultra-Linear Schaltung benutzt werden. Ein SE Übertrager kann auch für PP benutzt werden, ein PP Übertrager aber nicht für SE.
Laut EL86 Datenblätter kann der Ausgangsübertrager zwischen 3,5 kOhm Raa (Impedanz Anode zu Anode) und 5,5 kOhm liegen. Der Wert der Kathodenwiderstände R11 und R13 für Trioden-Schaltung Push-Pull wird in keinem Datenblatt angegeben. Laut Simulation sind Werte zwischen 680 Ohm und 1 kOhm sinnvoll.





Der Verstärker hat einen Vorverstärker mit U1A und einen Kathodyn
Phase-Splitter mit U1B. Eine Rg, Ra, Rk Tabelle für Vorstufe und
Kathodyn-Stufe sind praktisch. Im E81CC Datenblatt von Siemens
steht:

Zwischen Heizfaden und Kathode gibt es eine kleine Kapazität von
2,5pF bei der ECC81. Zwischen Heizfaden und Gitter sind es 0,17pF.
Zwischen Heizfaden und Kathode darf die Spannung maximal 90V
betragen bei der ECC81 und 80V bei der PCC88. Bei PCC88 wird
maximaler Widerstand zwischen Kathode und Heizfaden mit 20 kOhm
angegeben. Ähnliche Werte haben alle indirekt geheizte Röhren.
Trotz dieser kleinen Kapazitäten ist eine Verbindung zwischen
Heizstromkreis und Anodenstromkreis nötig um Heizfaden-Brumm zu
vermeiden. Im umfangreichen Datenblatt der ECC82 steht: "Wenn die
Mittelanzapfung des Heiztransformators geerdet ist, Rg<=0,3
MOhm und Rk genügend entkoppelt, so wird der Störpegel von Brumm
und Rauschen besser als 60 dB unter 100mV sein". Das düfte auch
für andere Röhren gelten. Heiztrafo mit Mittelanzapfung ist heute
selten. Meine Alternative sind zwei 1 kOhm Widerstände. Ein
Anschluß der Widerstände geht an den Vorstufen-Massepunkt, die
anderen Anschlüsse an die Heizfaden-Anschlüsse der
Vorstufen-Röhre.
Bei direkt geheizten Endröhren wie der 2A3 wird bei Heizung mit Wechselspannung ein Entbrummer benutzt. Das ist ein Drahtwiderstand-Potiometer mit 100 Ohm. Der mittlere Anschluß ist auf Masse, die beiden anderen Anschlüsse an den beiden Heizfaden-Anschlüssen. Solch eine niederohmige Verbindung ist bei indirekt geheizten Röhren und Heizung mit Wechselspannung nicht nötig.
Meine Verstärker-Schaltungen haben alle "self bias" oder
Kathodenwiderstand. Leistungsstarke Verstärker haben oft "fixed
bias", eine negative Spannung für das Gitter der Endröhren,
sozusagen eine C-Batterie. Im Artikel "Fixed
bias vs. Self bias" von 1950 schreibt C.P. Boegli: "There is
no substitute for push-pull Class A output stages when perfect
reproduction is demanded. Since with Class A the plate current
varies only slightly (because of rectification effects) with the
magnitude of the signal, the bias remains substantially at its
predetermined value regardless of the method of supplying it.
Self bias eliminates the need for separate power supply systems
with their associated rectifiers and filter networks. Furthermore,
since a greater d.c. grid impedance is permissible with self bias,
there is no need for expensive transformer coupling or cumbersome
cathode-follower drive, which introduces two extra tubes that
provide no gain.
For example, if we want to use push-pull 300A's at 400 plate volts
and -87 grid volts (plate current= 60 ma. per tube) we can have a
400- volt "B+" supply and a -87-volt bias supply, or a 487-volt
"B+" supply and no bias supply. In either case we get the same
power output and the same distortion - provided just one more
precaution is taken with self bias. This precaution eliminates the
last cause of self-bias trouble. If a common cathode resistor is
left un-bypassed the second-harmonic voltages are fed back in
phase to both grids and a secondary type of harmonic distortion
appears in the output. Consequently, that resistor (or resistors)
is bypassed - the bigger the bypass condenser the better."
Weiterhin schützt "self bias" die Endröhren. Wenn bei "fixed
bias" die Bias-Spannung ausfällt, dann wird der Kathodenstrom zu
groß. "Rote Backen" der Endröhre, Glasschmelze oder sogar Brand im
Verstärker sind möglich. Die "cathode-follower" Treiberstufe wird
benötigt für Klasse AB1 Betrieb, bzw. für positive Gitterspannung
der Endröhren. Diese Betriebsart liefert hohe Ausgangsleistung bei
hohem Klirrfaktor. Gut für verzerrende Gitarrenverstärker,
schlecht für HiFi-Verstärker.
Die Ultra-Linear und QUAD Ideen können auch bei Push-Pull
Verstärker benutzt werden. Die EL86 wird zusammen mit dem
Tube-Town tt-ma18-ot Ausgangsübertrager (AÜ) benutzt. Der Hammond
1608A ist deutlich teurer.

Der 16 Ohm(!) Lautsprecher wird wie üblich an die 0 Ohm und 16
Ohm Anschlüsse des AÜ angeschlossen. Der 8 Ohm Anschluß wird auf
Endstufe-Masse gelegt. Wie immer bei Gegenkopplung ist der genaue
Anschluß wichtig. Weil es bei falschem Anschluß kein
Mitkopplungs-Gekreische gibt hier die Anleitung: der richtige
Anschluß ergibt weniger Verstärkung. Meinen tt-ma18-ot habe ich so
angeschlossen: Primär blue=U2 Anode, purple=U2 Schirmgitter,
white=Versorgungsspannung, pink=U3 Schirmgitter, brown=U3 Anode
und Sekundär black=R11 (U2 Rk), pink=frei, brown=Masse, gray=R13
(U3 Rk).
Die simulierten Meßwerte: Die untere -1dB Grenzfrequenz ist 47Hz,
obere 28kHz, Verstärkung knapp 27dB. Die lokale Gegenkopplung
durch divided loading reduziert Verstärkung und untere
Grenzfrequenz.

Das kein k7 Spektrum bei Ausgangsleistung 2,6W, Eingangsspannung
390mV Spitze und Eingangsleistung 18,2W:

Das keine siebte Harmonische Spektrum sieht sehr gut aus, die
Harmonische fallen schnell ab. Nun Ausgangsleistung 8,8W,
Eingangsspannung 740mV Spitze und Eingangsleistung 19,4W:

Das Nennleistung Spektrum sieht ungewöhnlich aus. Bei meinen
Hörtests klingt der Verstärker gut, die Lautsprecherbox "rappelt"
sehr wenig, auch wenn der Lautsprecher viel Luft bewegt und die
Lautstärke in Richtung Schmerzschwelle geht. Im Editorial von Wireless
Engineer von August 1955 gibt es eine Erklärung für die
ungewöhnlichen Harmonischen beim UL Verstärker.
Wie Nobu Shishido sagte: "Es kommt auf das erste Watt an". Der
EL86 Verstärker mit lokaler Gegenkopplung liefert über 2 Watt in
bester Qualität.
Der Aufbau auf dem Steckbrett hat eine Besonderheit. Durch zwei 1
kOhm Widerstände wird eine Mittelanzapfung für die 6,3V
Heizspannung nachgebildet. Damit wird die Datenblatt Anforderung
maximal 20 kOhm Widerstand zwischen Kathode und Heizung erfüllt.
Auf dem Bild ist links der AÜ zu sehen und rechts die ECC81 von
Electro-Harmonix. Meiner Meinung nach sind gute Röhren aus
aktueller Produktion so gut wie gute Röhren aus NOS Produktion.
Ohne Schaltungsänderung funktioniert auch ECC83 anstelle von
ECC81. Die Verstärkung steigt, die Ausgangsleistung ohne k7 sinkt.
Meine ECC83, eine Tube-Town Eigenmarke, hat ein Schirmblech
zwischen den beiden Trioden-Systemen. Das zeigt Qualität (Made in
China).




Die meisten Röhren haben eine langweilige Form. Die KT66 hat eine
interessante Form:
![]() |
![]() |

Der Innenwiderstand der KT66 ist mit 1300 Ohm doppelt so hoch wie
bei der EL86 mit 667 Ohm. Laut Datenblatt soll der
Ausgangsübertrager eine Impedanz von 7 kOhm bei UL Betrieb und 8
kOhm bei Beam-Tetrode Betrieb sein. Der Tube-Town
Ausgangsübertrager mit 8 kOhm Impedanz, UL Anschlüssen und maximal
30W Leistung passt gut zur KT66 und ist erstaunlich günstig.
Die Verstärkung ist knapp 27dB. Untere -1dB Grenzfrequenz ist
49Hz, obere -1dB ist 24kHz. Bemerkung: der AÜ wird absichtlich(!)
schlechter simuliert als er in Wirklichkeit ist. Die Messung soll
bessere Ergebnisse als die Simulation liefern. Es gibt zuviele
unrealistisch optimistische Simulationen.

Das kein k7 Spektrum bei Ausgangsleistung 6,3W, Eingangsspannung
590mV Spitze und Eingangsleistung 48,3W:

Das Klasse A Nennleistung Spektrum bei Ausgangsleistung 21,3W,
Eingangsspannung 1110mV Spitze, Eingangsleistung 50,5W und
Wirkungsgrad 42%:

Die KT66 beweisst auch in der Simulation ihre Klasse. Kein
Wunder, daß diese Röhre von 1937 immer noch gebaut wird. Die
wahrscheinlich einzige Röhre welche noch besser ist, ist der
Nachfolger KT88 mit mehr Leistung und kleineren Innenwiderstand.












| Name |
Bedeutung |
| IS |
Transport saturation current. Aus Vbe=(Ic,
Ib=0.1*Ic) Kennlinie bei kleinem Ic bestimmen. |
| RE |
Emitter resistance. Aus Vce=(Ic, Ib=0.1*Ic) Kennlinie bei großem Ic bestimmen. |
| VAF |
Forward Early voltage. Aus Ic=f(Vce, Ib)
Kennlinie bestimmen. |
| BF |
Ideal maximum forward beta. Aus hfe=f(Ic, Vce) Kennlinie als maximalen hfe ablesen. |
| ISE |
B-C leakage saturation current. Aus hfe=f(Ic,
Vce) Kennlinie bei kleinem Ic bestimmen. |
| IKF |
Corner for forward beta high current roll-off. Aus hfe=f(Ic, Vce) Kennlinie bei großem Ic bestimmen. |
| CJE |
B-E zero-bias depletion capacitance. Cibo,
Cib, Ce aus Datenblatt. |
| CJC | B-C zero-bias depletion capacitance. Bestimmt
Rise Time tr und Fall Time tf. |
| TF |
Ideal forward transit time. Bestimmt Delay Time td. |
| TR |
Ideal reverse transit time. Bestimmt Storage Time ts. |




Nach einigen Test-Lautsprecherboxen
habe ich zwei verschiedene Lautsprecherboxen gebaut. Die
Gemeinsamkeiten:
Die Unterschiede:
Beide Lautsprecherboxen wurden mit dem Programm Boxsim
von Visaton entwickelt. Die 70 Liter Gehäuse sind
"Schwerlast"-Umzugskartons. Natürlich kann besseres Material für
das Gehäuse benutzt werden. Ich empfehle 4mm Pappel-Sperrholz mit
18mm quadratische Kantholzleisten in den Ecken. Bei mir darf das
Gehäuse "mitschwingen", so wie das Gehäuse einer akustischen
Gitarre mitschwingt. Natürlich darf das Gehäuse auch aus 18mm MDF
Platte sein. Meiner Meinung nach wird "Lautsprecher-Rappeln"
besser reduziert durch Bassreflex-Bauweise und passenden
Verstärker-Dämpfungsfaktor als durch dicke Wände und akustische
Dämpfung.
Boxsim kann Richtcharakteristik simulieren. 93dB SPL Schalldruck bei 1000Hz entspricht +/-1dB (dunkelrot) in der Richtcharakteristik. 93 dB SPL bedeutet eine Lautsprecherbox mit guten Wirkungsgrad aber weniger guten Frequenzgang. Technik ist immer ein Kompromiss. Verkäufer sagen natürlich etwas anderes. Horizontale Richtcharakteristik wird links gezeigt und vertikale rechts.
![]() |
![]() |
Die folgenden Diagramme zeigen Frequenzgang und Impedanz links
und Frequenzweiche rechts. Die rote Impedanzkurve zeigt einen
typischen Bassreflex-Box Verlauf. Bei der Resonanzfrequenz des
Tieftöner von 73,5 Hz und der Resonanzfrequenz des Helmholtz-Resonators
(d.h. dem Loch in der Box) von 58 Hz, teilt sich die eine große
Impedanzspitze bei 73,5 Hz in zwei kleinere Impedanzspitzen bei 40
Hz und 103 Hz auf. Das gleiche Verhalten zeigt ein Bandfilter.
Zwei gekoppelte Schwingkreise können nicht auf der gleichen
Frequenz schwingen. Eine rein ohmsche Last von 8 Ohm wäre ideal
für den Transistorverstärker. Der Bassreflex-Trick mit zwei
Resonanzfrequenzen und die Boucherot-Glieder parallel zu den
Lautsprecher-Chassis schränken die Impedanz auf 7 Ohm bis 24 Ohm
ein. Das ist akzeptabel. Elektrostatische Lautsprecher, d.h. eine
dicke Kapazität als Last, ist das schlimmste was einem Verstärker
passieren kann.
![]() |
![]() |
Die Frequenzweiche im Detail hat 6dB Abfall pro Oktave. Die 1,36
mH Induktivität vor dem Tieftöner Jensen CH
12-35 läßt nur die tiefen Töne durch. Der 22 uF unipolare
Elko links oben läßt nur die hohen Töne durch vor dem
Mittel-Hochtöner Visaton
BG13P. Die Trennfrequenz zwischen Tieftöner und
Mittel-Hochtöner ist 900 Hz. Oberhalb der Resonanzfrequenz kann
ein Lautsprecherchassis durch RL-Reihenschaltung simuliert werden.
Eine RC-Reihenschaltung parallel zum Chassis, d.h. ein
Boucherot-Glied, neutralisiert die Induktivität. Das
Boucherot-Glied wird berechnet nach R'=R, d.h. der Widerstand im
RC-Glied ist so groß wie der Widerstand im RL-Glied, dem
Lautsprecher. C'=L/R², die Kapazität wird aus Widerstand und
Induktivität berechnet. Parallel zum Tieftöner liegen 6,8 Ohm in
Reihe mit 22 uF. Der Mittel-Hochtöner hat weniger Induktivität und
deshalb ein Boucherot-Glied mit 10 Ohm und 1 uF. Letzte
Besonderheit ist der gedämpfte Parallel-Schwingkreis mit 0,82 mH,
1 uF und 3,3 Ohm. Die Resonanzfrequenz ist 5,6 kHz. Ohne den
Schwingkreis ist der Frequenzgang-Ausreißer zwischen 5 und 6 kHz
größer.
Aus Kostengründen benutze ich Festinduktivitäten mit Ferritkern
anstelle von Luftspulen. Die 1,36 mH besteht aus zwei Fastron
09HVP 680uH in Reihe, die 0,82 mH ist eine Fastron 09HVP 820uH.
Das Bildschirmfoto zeigt Boxsim Menüpunkt "Extras|Auslegung
Reflexkanal". Zwei Löcher in der Frontwand mit je 4,7cm
Durchmesser ergeben eine Helmholtz-Resonatorfrequenz von 58 Hz.
Dadurch wird die Resonanzfrequenz des Tieftöners etwas nach unten
gezogen und der Frequenzgang verbessert, aber der Impedanzverlauf
verschlechtert. Für die leichte Bedämpfung habe ich den Inhalt
einer Packung "Visaton Dämpfungsmaterial für ein Volumen bis 20
Liter" benutzt. Ohne Dämpfungsmaterial klingt die Box auch gut.
Bemerkung: Bekommen die Bassreflex-Löcher einen Durchmesser von
8,1 cm, dann liegen beide Impedanzspitzen bei 20 Ohm, aber die SPL
Spitze des Tieftöners bei 100 Hz wird um fast 2 dB stärker.

Die folgenden Bilder zeigen die Lautsprecherbox mit Visaton BG13P
oben und Jensen CH 12-35 in der Mitte und die Frequenzweiche,
aufgebaut auf Breadboard.
![]() |
![]() |
![]() |
![]() |
Die folgenden Diagramme zeigen Frequenzgang und Impedanz links
und Frequenzweiche rechts. Die Impedanz liegt zwischen 14 Ohm und
47 Ohm, akzeptabel für eine 16 Ohm Box.
![]() |
![]() |
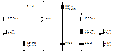
Die Frequenzweiche im Detail hat 12dB Abfall pro Oktave. Die 0,82
mH Induktivität und 0,82 uF Kapazität vor den beiden
Tief-Mitteltöner Visaton W170 läßt nur die tiefen Töne durch. Der
1,64 uF Kondensator (zwei 0,82 uF parallel) links oben und die
1,64 mH Induktivität (zwei 0,82 mH seriell) läßt nur die hohen
Töne durch vor dem Kalotten-Hochtöner Visaton DT94. Die
Trennfrequenz zwischen Tieftöner und Mittel-Hochtöner ist 4400 Hz.
Anstelle einem Boucherot-Glied liegt ein gedämpfter
Serien-Schwingkreis aus 15 Ohm, 0,82 mH und 2 uF (zwei 1 uF
parallel) parallel zu den beiden Tief-Mitteltönern. Der
Schwingkreis reduziert den Pegel bei 3,9 kHz und sorgt für guten
Frequenzgang. Der Hochtöner hat wegen der kleinen Induktivität
kein Boucherot-Glied. Der 8,2 Ohm Widerstand passt den Hochtöner
an die 16 Ohm Impedanz der Box an und reduziert den Wirkungsgrad
des Hochtöner auf den Wirkungsgrad der Tief-Mitteltöner.
Aus Kostengründen benutze ich Festinduktivitäten mit Ferritkern
anstelle von Luftspulen. Die 1,64 mH besteht aus zwei Fastron
09HVP 820uH in Reihe, die 0,82 mH ist eine Fastron 09HVP 820uH.
Das Bildschirmfoto zeigt Boxsim Menüpunkt "Extras|Auslegung Reflexkanal". Ein Loch in der Frontwand mit 9,9cm Durchmesser ergibt eine Helmholtz-Resonatorfrequenz von 60 Hz. Für die leichte Bedämpfung habe ich den Inhalt einer Packung "Visaton Dämpfungsmaterial für ein Volumen bis 20 Liter" benutzt. Ohne Dämpfungsmaterial klingt die Box auch gut.
Die folgenden Bilder zeigen die Lautsprecherbox mit Visaton DT94
oben und zwei Visaton W170 in der Mitte und die Frequenzweiche,
aufgebaut auf Breadboard.
![]() |
![]() |
Wo kommt der gute Höreindruck eines Klasse A Verstärkers her? Was
ist das Geheimnis? Auch ich habe die (vollständige) Antwort nicht.
Die wahrscheinliche beste Antwort hat die TU Berlin mit dem "Black
Cat" Verstärker. Siehe Kapitel Einleitung.
Im Buch "Radiotron Designer's Handbook Third Edition" von 1941
gibt es Hinweise. Zuerst gibt es Kritik an der "Total Harmonic
Distortion" THD als Qualitätsmaß auf Seite 32: "The total harmonic
distortion is not a measure of the degree of distastefulness to
the listener ... it is always preferable to specify each harmonic
separately". Die harmonischen Verzerrungen sollen einzeln
angegeben werden. Dabei sind die geradzahligen Harmonischen wie
zweite, vierte Harmonische nicht störend - oft erzeugen die
Musikinstrumente diese Harmonische selbst. Die höheren ungeraden
Harmonischen sind "unmusikalisch". Unser Ohr hat sehr hohe
Empfindlichkeit für "schiefe" Töne, deshalb ist die THD Zahl die
zum allergrößten Teil aus zweiter und dritter Harmonische besteht
ungenügend. Das "Radiotron" empfiehlt folgende Werte auf Seite 32:
| Harmonic |
Good fidelity |
Fair fidelity |
| 2nd |
5% |
10% |
| 3rd |
2.5% |
5% |
| 4th, 6th, .. |
not important |
not important |
| 5th |
0.5% |
1% |
| 7th |
(say) 0.1% |
(say) 0.2% |
"The seventh harmonic is not on the musical scale, and should therefore be below the threshold of audibility". Keine hörbare siebte Harmonische ist mein Qualitätsmaß und heutzutage leicht zu überprüfen wenn fast jeder Digital-Oszilloskop eine Spektrumanalyse Funktion hat. Natürlich hat der BUF634 Verstärker von Henry Westphal, Stefan Trampert und Frederic Sehr mit einem THD von 0,00020% auch eine SEHR kleine siebte Harmonische. Der BUF634 Verstärker besteht, wie 2010 der Elektor NE5532 Verstärker von Douglas Self, aus vielen parallel geschalteten integrierten Schaltkreisen (ICs). Der BUF634 ist ein High-Speed-Buffer, der NE5532 ist ein rauscharmer Operationsverstärker.
Aus den Datenblättern können wir nicht "5th harmonic" oder "7th harmonic" ablesen. Die "Tube Data Library" liefert diese Information. Alle Röhren werden in Triode-Schaltung betrieben. Die Verzerrung für 10 Volt effektiv Ausgangssignal an der Anode in Triode-Schaltung wird bei Anodenstrom Ia und Bias-Gitterspannung Ug gemessen.| Tube |
5th harmonic |
Ia, Ug |
| PL95 |
none |
33mA, -9.6V |
| ECL82_P, PCL82_P |
none |
21mA, -22.5V |
| PCL200_P |
none |
20mA, -4.6V |
| PCL84_P |
none |
15mA, -6.16V |
| ECL86_P |
none |
10mA, -11.55V |
| ECC85 |
none |
8mA, -2.5V |
| E88CC |
none |
6mA, -8.5V |
| PCC88 |
none |
6mA, -8V |
| PCL805_P |
-120.37dB |
21mA, -31.8V |
| EL86, 6CW5 | -120dB |
18mA, -20V |
| PCL81_P |
-113.60dB |
29mA, -8V |
| PL504 |
-112.06dB |
20mA, -36V |
| EL519 |
-111.41dB |
60mA, -36V |
| EL83, PL83 |
-111.42dB |
40mA, -1.7V |
| PL36 |
-109.21dB |
46mA, -40V |
| PL500 |
-107.00dB |
40mA, -34V |
| ECC83 |
-106.96dB |
1mA, -0V |
| PL508 |
-103.23dB |
40mA, -31V |
| EL84 |
-100.47dB |
30mA, -5V |
Laut "Radiotron" gibt es zwischen Höreindruck und "loudspeaker
damping" einen Zusammenhang. Die Induktivität der
Lautsprecherspule sorgt dafür, das die Impedanz des Lautsprecher
mit der Frequenz steigt. Eine hohe Impedanz gibt es auch bei der
Resonanzfrequenz des Lautsprechers. Der Innenwiderstand der
Ausgangsröhre liegt über den Ausgangsübertrager parallel zur
Lautsprecher-Impedanz und dämpft diese. "We need only be concerned
with the ratio of the load resistance to the effective plate
resistance (rp), and this ratio (RL/rp) is called the 'damping
factor'. Triodes have good damping factors, but pentodes and beam
power tetrodes, due to their high plate resistance, have very poor
damping factors", siehe Seite 15.
| Tube |
Jahr |
mu |
S[mA/V] |
Ri[Ohm] |
Pa[W] |
P[W] |
| PL502, EL502 |
1963 |
5 |
17 |
294 |
20 |
- |
| PL36, 25E5 | 1955 |
5,6 |
14 |
400 |
13 |
- |
| PL521, 29KQ6 | 1965 |
4,7 |
9,1 |
516 |
18 |
- |
| EL503 |
1965 |
13 |
23 |
565 |
40 |
|
| KT88 |
1957 |
8 |
12 |
667 |
42 |
- |
| EL86, 6CW5 | 1956 |
8 |
12 |
667 |
12 |
- |
| 300B |
1938 |
3,9 |
5 |
790 |
36 |
7 |
| 2A3 |
1933 |
4,2 |
5,25 |
800 |
15 |
3,5 |
| PL84 |
1956 |
8 |
10 |
800 |
12 |
2,1 |
| PL508, EL508 |
1966 |
8 |
9 |
889 |
12 |
- |
| EL34 |
1950 |
11 |
11 |
1000 |
25 |
6 |
| KT66 |
1937 |
8 |
6,15 |
1300 |
25 |
5,8 |
| EL156 |
1952 |
15 |
11 |
1364 |
50 |
- |
| EL84 |
1953 |
19 |
11,3 |
1681 |
12 |
1,95 |
| 6L6 6L6GC |
1936 1959 |
8 |
4,7 |
1700 |
19 30 |
1,4 |
| 6V6GT, 6BW6, EL90 |
1937 |
9.8 |
5 |
1960 |
12 |
- |
| ECC99 |
1999 |
22 |
9,5 |
2316 |
5 |
- |
| PL95 |
1959 |
17 |
5,4 |
3148 |
6 |
- |
| Durchschnitt |
- |
10 |
10,3 |
971 |
21 |
- |
Hi-Fi oder "high fidelity" war von Anfang an die Anforderung
gewesen an Niederfrequenzverstärker. Die Spalte "Radiotron 1941"
ist aus dem Buch "Radiotron Designer's Handbook" von 1941 auf
Seite 32, Spalte "RCA Laboratories 1950" ist aus dem Artikel "A
high-quality sound system for the home" von 1950:
| Qualität |
Radiotron 1941 |
RCA Laboratories 1950 |
| Musical reproduction |
40 .. 12000 Hz |
40 .. 15000 Hz |
| Good fidelity |
60 .. 10000 Hz |
60 .. 10000 Hz |
| Mediocre reproduction |
100 .. 5000 Hz |
|
| Radio receiver (AM band) |
100 .. 3500 Hz |
Im Kapitel "Endstufe EICO" des TU Berlin "Black
Cat" Verstärker gibt es eine Bemerkung zur sinnvollen oberen
Grenzfrequenz für Verstärker mit Gegenkopplung: "daß ein
–3dB-Punkt bei 20 kHz bereits zu den Höreindruck störenden
Phasenverzerrungen im Bereich um 15kHz führen könnte. Ein
–3dB-Punkt bei 34 kHz würde dann hingegen die Phasenbeziehungen im
Bereich um 15 kHz nicht störend verfälschen."
Die RCA Mitarbeiter schreiben 1950 über Harmonische: "that the
higher order harmonics are more easily discerned than the lower
order harmonics; that difference tones may be of more importance
than the harmonics ... it has been observed that the sensitivity
of the ear to distortion in music appears to be a maximum for
sound levels in the vicinity of 70 to 80 dB"
Über Verzerrung: "For the type of distortion contemplated, for
the frequency response contemplated, and for a sound level of 75
dB, it has been shown that a total RMS distortion of approximately
0.75% is perceptible to critical listeners ... for sound levels of
90 dB, total RMS distortions of 2 to 3% are tolerable".
Über Ausgangsleistung für Zimmerlautstärke: "an average sound
level of approximately 75 dB would be adequate for most home
reproduction. The power corresponding to this sound level would be
approximately 0.016 watt ... For an average power level of 0.016
watt the peak power level would, therefore, be appoximately 0.160
watt.
Über Ausgangsleistung für Konzerthalle-Lautstärke: "that the peak
sound level at a desirable seat in such a concert is not likely to
exceed a value of 100 dB ... that peak sound levels of 100 dB
would correspond to peak powers of 5.0 watts"
Ein Blick auf die Leistung von Lautsprecher und
Ausgangsübertrager helfen uns bei der Bestimmung der
Leistungsparameter eines günstigen Verstärker mit günstigem
Lautsprecher.
THD = Total Harmonic Distortion oder Klirrfaktor. Ein Sinussignal
von meist 1kHz wird in den Verstärker gespeist. Am Ausgang wird
die Stärke des 1kHz Signal im Vergleich zu den "Nicht 1kHz"
Signalen angegeben. Die Ursache von THD ist (natürlich)
Nicht-Linearität des Verstärkers, eine gebogene Kennlinie zwischen
Eingangssignal und Ausgangssignal.
IMD = Intermodulation Distortion, Intermodulations-Verzerrung.
Der SMPTE Standard RP120-1994 empfiehlt zwei Sinussignale von 60Hz
und 7kHz im Amplitudenverhältnis 4:1 (z.B. 400mV 60Hz, 100mV
7kHz). Vorstellung für den Funkamateur: 7kHz ist die
Trägerfrequenz, 60Hz ist die Modulationsfrequenz. Durch
Nicht-Linearität des Verstärkers entstehen Summen- und
Differenzfrequenzen der beiden Sinussignale, wie bei einem
Mischer.
DFD = Difference Frequency Distorion, Differenzton-Verzerrung.
Siehe IEC60118 und IEC60268 Tests. Wieder entsteht diese
Verzerrung durch Nicht-Linearität des Verstärkers. Während IMD die
Summen- und Differenztöne als Verzerrung zählt, sind es bei DFD
nur die Differenztöne.
TIM = Transient Intermodulation oder SID = Slew-Induced
Distortion. Hohe Slew rate ist
wichtig für Audio Verstärker. John Curl schrieb in "Condemnation
without Examination is Prejudice": "Walt Jung and I have
independly found that 0.5V/us [Slew Rate] per 1 Vpp [output
voltage] is the minimum to really be safe with solid state amps.
This is about 50V/us for a 100W amp".
PIM = Passive
Intermodulation. Auch passive Bauelemente können
nicht-lineares Verhalten zeigen. Die "rostige Messerklinge" als HF
Detektor oder der Rusty
bolt effect an einem Antennenmast sind bekannte PIM bei
Hochfrequenztechnik. Der Ausgangsübertrager mit Eisenkern ist ein
bekanntes Niederfrequenz-Bauteil mit nicht-linearer Kennlinie
(Hysterese, Sättigung). Die Oxid-Schicht in einem
Elektrolyt-Kondensator KANN ebenfalls winzige Verzerrung erzeugen.
Es gibt (natürlich) Kritik an THD und IMD. In "The
Amplifier Distortion Story" von April 1959 steht: "when
clipping or crossover distortion is present, neither harmonic or
IM distortion gives an adequate representation of the audibility
of the distortion, because the measurement averages or "spreads"
the magnitude of the deviation over the whole fundamental
waveform, rather than measuring the relative magnitude for the
short interval 'kink'".
Die THD, IMD und DFD Werte zeigen die "Nicht-Linearität" des
Verstärkers. In der Simulation ist THD Messung durch FFT des
Ausgangssignals einfach möglich. Genauso ist Messung einfach
möglich. Gute PC Sound-Karten haben Signal-Noise Ratio von 90dB.
Ein Programm wie Audacity erzeugt ein Sinussignal welches die
Sound-Karte ausgibt. Am Ausgangs wird ein Digital-Oszilloskop mit
FFT Anzeige angeschlossen. Oft ist der FFT Dynamik-Umfang
eingeschränkt auf 60dB. Dann hilft ein Hardware Notch-Filter. Nach
dem Notch-Filter gibt es nur noch ein reduziertes 1kHz Signal und
der Dynamik-Umfang der FFT wird besser ausgenutzt. Damit sollte
kostengünstige Messung bis k7 möglich sein.
![]() |
![]() |
Ein passiver Notch-Filter ist einfach aus E96 Reihe Widerständen
und E6 Reihe Kondensatoren gebaut. Toleranz sollte 1% sein. Die
Notch-Frequenz ist 1007,3 Hz. Mit Soundkarte und Audacity Programm
wird leicht ein 1007 Hz Sinussignal erzeugt. Der Notch-Filter hat
für k2 (2. Harmonische bei 2014 Hz) noch eine Dämpfung von 9dB. Da
k7 und höher interessiert, ist dies nicht weiter schlimm. RL und
CL simulieren den Meßkopf des Oszilloskops.
ZwischenTHD und IMD gibt es einen engen Zusammenhang. In "Hi-Fi
Amplifier Terms and Definitions" steht: "In general, when an
amplifier has low IM, it also has low THD, and conversely, when
the IM is high, the THD is also high. However, it must be
remembered that these two methods of measuring distortion are
quite different, so it is logical to expect that the percentage
figure for IM and THD will not be the same".
Meiner Meinung nach hat THD Messung einen schlechten Ruf wegen der ursprünglichen Meßmethode: Ein 1kHz Notch-Filter am Ausgang hat das 1kHz Signal entfernt. Ein Röhrenvoltmeter hat die Spannung am Ausgang des Notch-Filters gemessen. Das waren dann die Meßwerte für Berechung des THD. Mit heutigen Simulations- und Meßmitteln ist Messung der Stärke einzelner Harmonischer leicht möglich.
Der Ausgangsübertrager ist - besonders bei SE Verstärkern - oft
das teuerste Bauteil. Ich verwende den Hammond 125BSE. Günstiger
ist der Tube-Town "TT-OT25BSE".
Beide Übertrager sind für maximal 5 Watt Leistung ausgelegt. Der
Ruhestrom durch die Übertrager und damit durch die Endröhre darf
45mA betragen. Diese Werte sind typisch für eine EL84. Die obere
Grenzfrequenz ist beim 125BSE sogar im schlechtesten Fall bei
einer Übersetzung von 10kOhm auf 8 Ohm kein Problem weil über
30kHz. Die untere Grenzfrequenz ist bei 2500 Ohm zu 8 Ohm deutlich
besser als bei 5000 Ohm zu 8 Ohm.
Für mich - und bestimmt für viele andere - ist das "Radiotron
Designer's Handbook Third Edition" von 1941 eine Authorität für
Röhrenschaltungen. Schon im Kapitel 1 auf Seite 4 gibt es eine
Tabelle zum Thema Gitterwiderstand und Koppelkondensator. Für 250
Kiloohm wird 0,1uF als Kondensator genannt. Mein Verstärker hat
aber nur 0,022uF oder 22nF. Warum? Die Fußnote im Radiotron
erklärt: "On the basis of approximately 1dB loss per stage at 12.5
c/s". Weder mein Lautsprecher noch mein Ausgangsübertrager können
12,5 Hz liefern ...
Von Amp Books gibt es den Coupling
Capacitor Calculator. Wir rechnen das RC Glied R4, C4 aus
dem PL508 PCC88 Verstärker nach. Als "output impedance" nehmen wir
den Innenwiderstand der PCC88. Mit mu=33, S=12.5 ma/V und Ri=mu/S
ist 2.64 kOhm schnell ausgerechnet. Der Koppelkondensator hat 22nF
oder 0.022 uF. Der Gitterwiderstand Rv ist 330 kOhm und bei einem
Festwiderstand ist Volume setting 100%. Nach "recalculate" zeigt
uns der Rechner einen Gain (Dämpfung) von -0.36 dB bei 82 Hz. Nach
dem Spruch "ein dB ist kein dB" sind wir zufrieden.
Ein historischer Röhrenverstärker hat einen Röhrengleichrichter.
Einige Personen finden Röhrengleichrichter nötig für Röhrenklang.
Das mag bei schlecht dimensionierten Netzteilen mit
Röhrengleichrichter sogar korrekt sein. Der Hörer gewöhnt sich an
den Spannungseinbruch des Netzteils, wenn die Endröhren Strom
ziehen. Meiner Meinung nach sollte auch ein Netzteil mit
Röhrengleichrichter niederohmig sein und bei Volllast noch fast
die volle Speisespannung liefern.
Zu den hochohmigen Röhrengleichrichtern werden keine
Snubber-Kondensatoren parallel geschaltet. Bei niederohmigen
Halbleitergleichrichter sind Snubber-Kondensatoren nötig um
Störsignale aus dem Netzteil zu verhindern. Auch ist die
Brückenschaltung mit vier Halbleiterdioden viel häufiger als
Brückenschaltung mit Röhrengleichrichter.
Der einfachste Sparposten ist Halbleiter-Gleichrichter statt
Röhrengleichrichter. Eine Frequenzgang Anforderung von 100Hz bis
10kHz ist erreichbar mit günstigen Ausgangsübertrager, günstigem
Lautsprecher und "großer" Lautsprecherbox. Eine Bassreflexbox
sollte "good fidelity" von 60Hz bis 10kHz erreichen. Ein kleiner
4" Lautsprecher wie der Visaton R 10 S hat am unteren Ende
Schwierigkeiten. Ein größerer 8" Lautsprecher wie der Jensen MOD
8-20 am oberen Ende. Die Definition der Grenzfrequenz hat ihre
"Spezialitäten". Ein Detail ist die Referenzfrequenz und die
Wellenform. Das ist üblicherweise 1kHz Sinuston. Wird dB für
Spannungspegel benutzt, dann ist 6dB Abfall die halbe Lautstärke.
Für dB Leistungspegel ist 3dB Abfall die halbe Lautstärke. Wird
der Höreindruck benutzt, dann kann halbe Lautstärke auch 9dB
Abfall Spannungspegel bedeuten. Oder 1dB Abfall als Grenzfrequenz
definieren wie einige Highest Fidelity Anhänger es machen? Die
Definition Grenzfrequenz bei 6dB Spannungspegel Abfall ist am
Verstärker leicht zu messen. Beim Lautsprecher ist
Leistungsmessung üblich. Neben den Grenzfrequenz Werten gibt es
auch den Höreindruck. Der Höreindruck ist gut, wenn untere und
obere Grenzfrequenz zusammen passen. Das Telefonnetz arbeitet mit
Grenzfrequenzen 300Hz und 3400Hz, d.h. hohe untere Grenzfrequenz
und niedrige obere Grenzfrequenz. Nach meiner Meinung passen die
Werte 100Hz und 10kHz auch gut zusammen.
Frihu schrieb November 2014:
"Wenn Klang nicht klingt, wie klingt dann Klang? Also HiFi-mäßig.
Und überhaupt: Darf HiFi überhaupt klingen? Wenn’s nicht klingen
darf, was ist mit dem Klang? Andersrum: Wenn’s klingt habe ich
Klang. Kling-Klang. Verwirrend? Machen
Sie sich nichts draus. Das ist normal. Willkommen im Club der
Spinner, Verrückten und den permanent gespaltenen
Persönlichkeiten."
Douglas Self schreibt in "Audio Power Amplifier Design Handbook":
"It is notable that in Subjectivist audio the ‘correct’ answer is
always the more expensive or inconvenient one."
Der Hi-Fi Fan ist somit Schizo und Maso, eine liebenswerte
Mischung.
Bei 0% Klirrfaktor (THD) ist die Sache einfach: ein solcher
(Halbleiter-)Verstärker klingt neutral. Meine Theorie für guten
Klang bei (Röhren-)Verstärker ist: streng monoton fallende
Harmonische, d.h. die dritte Harmonische ist kleiner als die
zweite, die vierte ist kleiner als die dritte usw. Meine
Röhrenmodelle sind gut, aber nicht perfekt. Deshalb sage ich mit
kleiner Unsicherheit: Bis zu einer Ausgangsleistung von ungefähr 2
Watt lassen sich, mit wenig Geld, Single Ended UND Gegentakt
Verstärker mit streng monoton fallende Harmonische bauen. Die
größte Erkenntnis meiner Simulationen ist die Wichtigkeit des
Röhreninnenwiderstand Ri. Die 2A3, 300B und KT88 in
Triode-Schaltung sind bekannte niederohmige Röhren. Die von mir
benutzen EL86/PL84 und EL508/PL508 sind auch niederohmige Röhren.
Bei niederohmigen Röhren und Trioden-Schaltung ist keine
Gegenkopplung nötig. Der Feinschliff für streng monoton fallende
Harmonische erfolgt in der Vor- und Treiberstufe. Die Röhre UND
der Arbeitspunkt sind wichtig. Der Satz "Pentoden liefern k3,
Trioden liefern k2" ist ein AUSGANGSPUNKT, aber nicht die ganze
Geschichte.
Neben Trioden-Schaltung gibt Ultra-Linear Schaltung und divided loading Schaltung für Pentoden und Beam-Tetroden guten Klang. Für Lautstärke ist Pentoden Schaltung richtig. Siehe meine Seite Röhrenverstärker.
Verstärker, Lautsprecherbox und Raum sollen aufeinander
abgestimmt werden. Der Raum bzw. der Aufstellungsort der Box ist
wichtiger Teil des Höreindrucks. Tiefen- und Höheneinstellung mit
"Kuhschwanz"
(Baxandall) Einsteller oder Fender Tiefen/Mitten/Höhen Einsteller
sind dann nicht nötig. Eventuell die 8 Ohm Box mit den 4 Ohm
Anschluß des Verstärker verbinden für höheren Dämpfungsfaktor.
Mit Absicht gibt es auf dieser Seite nur Schaltungen mit
RC-Kopplung, individuellen Kathodenwiderstand und "self bias".
Diese Schaltungsart ist robust gegen Bauteiletoleranzen und
Bauteilealterung. Weiterhin ist dadurch die Kopplung der Stufen
minimal.
Die wichtigste Erfahrung aus 50 Jahren Elektronikbasteln ist:
"mehr hilft mehr" ist falsch. Es gibt immer einen optimalen Wert
für jedes Bauteil. Bei den vorgestellten Verstärkern ist 20%
Abweichung vom angegebenen Wert wenig Problem und für Elkos auch
typisch. Wichtig ist es die Spannungswerte für Kondensatoren und
die Leistungswerte für Widerstände einzuhalten. Für Widerstände
genügt 5% Toleranz.
Hier einige Stücke von YouTube um verschiedene Eigenschaften von
Verstärker und Lautsprecherbox zu hören:
Der harte Plektrum-Anschlag in "No Roots" war schwierig für den PL508 PCC88 Verstärker bei voller Lautstärke und 2,5kOhm zu 8ohm Übertrager. Bei 5kOhm zu 8ohm klingt es besser. Ein gutes Beispiel für die Notwendigkeit von Lautsprecherdämpfung. Achtung: bei zuviel Lautsprecherdämpfung klingt der Verstärker langweilig, nach Transistor. Bei zuwenig Lautsprecherdämpfung rappelt die Lautsprecherbox. Der optimale Lautsprecherdämpfungsbereich ist eher klein.
Der EL86 ECC81 PP Verstärker hat direkt nach Aufbau gut
funktioniert. Beim Fleetwood Mac Stück "Tusk" hat der Verstärker
bei voller Lautstärke "Knistergeräusche" bei Liedanfang und Einzug
der Marching Band produziert. Ursache war gemeinsamer
Kathodenwiderstand der Endröhren mit Elko. Manchmal ist ein
Energiespeicher mehr Nachteil als Vorteil.
Später hat Lautsprecherbox bei EL86 ECC81 PP, "Tusk" und voller
Lautstärke "gerappelt". Durch AÜ-Wicklung an Endröhre-Kathode
(ähnlich QUAD Schaltung) ist dies verschwunden.
Die neue Zweiwege-Lautsprecher Box rappelte bei "Song of Durin"
und voller Lautstärke. Die Fensterscheiben rappelten auch. Der
tiefe Bass in diesem Stück ist extrem. Durch 3dB globaler
Gegenkopplung für den EL86 ECC81 PP Ultra-Linear ist das Rappeln
zum Großteil weg, aber Tiefbass ist immer noch kräftig.
Das alte LTSpice Triode Modell habe ich 2014 entwickelt, dies ist
die neue Version von 2024. Hilfreich waren die Informationen von Norman
L. Koren. Aktueller ist die Arbeit von Adrian
Immler von 2018. Gelobt werden auch die Modelle von Ayumi
Nakabayashi. John Harper
beschreibt die Röhren Formeln. Kern von jedem Triode Modell ist
die Child-Langmuir Formel Ia=S*(Va/mu+Vg)**1.5. Dabei ist
Ia=Anodenstrom, S=Steilheit in mA/V, Va=Anodenspannung,
mu=Spannungsverstärkungsfaktor und Vg=Gitterspannung.
Kern meiner LTSpice Modelle sind vier Funktionen: f() enthält eine
erweiterte Child-Langmuir Formel. Funktion Ia() vervollständigt
f() zur Ia Formel mit der Stromverteilungsformel nach Franz Tank
"Zur Kenntnis der Vorgänge in Elektronenröhren" von 1922, Ign()
ist die Formel für negative Gitterspannung und Igp() für positive
Gitterspannung. Der Übergang von negative auf positive
Gitterspannung findet bei Spannung Vw statt. Bei dieser Spannung
ist der Strom bei beiden Formeln Ign() und Igp() gleich.
In f() wird S*(Va/mu+Vg+Vc)**m anstelle von S*(Va/mu+Vg)**1.5
benutzt. Die Kontaktspannung Vc wurde von van der Bijl im Buch "The
thermionic vacuum tube and its application" von 1920
beschrieben: "represents an intrinsic potential difference between
the filament and the system constituted by the grid and plate".
Terman schreibt im Buch "Electronic and Radio Engineering" von
1955: "a correction to take into account the contact potential
existing between plate and cathode and also the effective velocity
of emission of the electrons. Each of these corrections ordinarily
amounts to less than 1 volt".
Van der Bijl schreibt 1920 über den Exponent 1.5: "This is the
so-called 3/2-power equation first derived by Child ... The
logarithmic plot of the characteristic is steepest at the lower
voltages where the slope may be as high as 2,5. As the voltage
increases the slope of the logarithmic plot decreases until
finally it becomes less than unity when saturation is approached."
Meiner Meinung nach ist die Änderung des Exponenten keine gute
Erweiterung der Child-Langmuir Formel. Nach etlichen Versuchen
habe ich aus dem Ausdruck Va/mu den Audruck Va**q/mu gemacht mit q
eine Konstante ungefähr 1,055. Aus S wurde S+dS*sqrt(uramp(-Vg))
mit dS eine Konstante ungefähr 1.64e-3. Meine erweiterte van
der Bijl Formel ist somit:
(S+dS*sqrt(uramp(-Vg)))*(Va**q/mu+Vg+Vc)**1.5.
Mein Röhrenmodell erzeugt zuerst für eine Gitterspannungs-Linie
aus dem Datenblatt eine mathematische Näherungen (potenzielle
Regression), meistens für Vg=0V. Dazu werden Va, Ia Werte aus dem
Datenblatt gelesen und ins Spreadsheet eingetragen. Für eine
zweite Gitterspannungs-Linie werden Va, Ia Paare ebenfalls ins
Spreadsheet übertragen. Dann werden die passenden Werte von zuerst
q und dann dS im Spreadsheet ermittelt. Dabei bestimmt q die
Cutoff-Spannung, d.h. Va bei Ia=1uA und dS bestimmt die Steigung.
Mit den Parametern können zwei Gitterspannungs-Linien in gute
Deckung zwischen Simulation und Dartenblatt gebracht werden. Die
Gitterspannungs-Linien dazwischen werden "gleichmäßig" verteilt.
Das passt für Kerbgitter-Röhren besser als für Spanngitter-Röhren.
Über die Stromverteilung zwischen Anode und Schirmgitter bei
Pentode und Beam Tetrode schreibt Spangenberg im Buch
"Fundamentals of Electron Devices" von 1957: "No simple analytical
form of this function is known ... when plate voltage is zero, all
the space current goes to the screen and none to the plate. When
the plate voltage equals the screen voltage, the ratio odf plate
to screen current will be nearly equal to the ratio of area
between screen-grid wires to the projected area of the wires.
Beyond this the ratio of currents will increase slowly with the
ratio of voltages."
Typisch für meine Morphing-Formeln ist, daß zwei Linien gute
Übereinstimmung haben. Für E88CC sind dies Vg=0V und Vg=-6V. Die
anderen Linien haben Abweichungen. Der Subcircuit:
Die van der Bijl Formel von 1920 und die Tank Formel von 1922
sind im Jahr 2024 immer noch der Kern meiner Elektronenröhre
Modelle. Mich erstaunt das tiefe Verständnis der beiden Herren.
1922 war weder die Pentode noch die Beam Tetrode entwickelt! Meine
neuen Parameter q und dS lassen sich gut und "rückwirkungsfrei" in
die alten Formeln einbauen. Die Simulation erfolgt schnell und
gut. Ich bin mit meinen Modellen zufrieden. Dank potenzielle
Regression in LibreOffice Calc kann jeder aus Datenblatt oder
Trace selbst Modelle bauen. Hier einige Rechenblätter:
ECC81 Rechenblatt q3 Modell
E83CC Rechenblatt q3 Modell
E88CC Rechenblatt q3 Modell
PCC88 Rechenblatt q3 Modell
ECC99 Rechenblatt q3 Modell
E84L Rechenblatt q3 Modell
EL86 Rechenblatt q3 Modell
PL508 Rechenblatt q3 Modell
KT66 Rechenblatt q3 Modell